交子公园金融商务区河东片区总部产业园(三期)项目
-
项目地址
四川,成都
-
建筑单位
成都交子公园悦瑞企业管理有限公司
-
建筑方案
DBW朗宜
千年前,世界上最早的纸币“交子”在成都诞生,点燃了市井经济的火花;千年后,在同样的土地上,交子公园金融商务区崛起为成都金融新核心。其中,河东片区总部产业园(三期)项目(简称“金融城三期”)作为“办公+商圈”一体化开发标杆,正以公园城市为蓝图,续写成都的金融传奇。
项目深度融合公园城市理念,严格按绿建三星标准设计与LEED铂金级预认证要求打造,总幕墙面积约18.5万平方米,集六栋办公塔楼与商业裙楼于一体,不仅是赋能成都金融产业建圈强链的重要载体,更是践行“双碳”战略、营造城市新地标的公园城市典范。
区位优势:
十字绿芯,金融脉搏

▲ 项目区位图(三号宗地)
金融城三期坐落于成都“三个做优做强”重点片区,是唯一聚焦高端资源运营的区域。项目东接锦华路、西临锦江,与金融城双子塔隔江相望,形成城市“金融十字准星”。
周边环绕金融城东TOD、区域能源站等配套,通过高效交通网连接机场与核心商圈,真正实现“生态、生活、生产”三生融合。
设计理念:
金翠交织,十里繁华
项目以 “金翠交织,十里繁华,幸福成都” 为顶层愿景,旨在打造一个集都市活力与自然静谧于一体的公园城市典范。


这一理念深刻影响了从规划到细节的全过程,其中,幕墙系统成为实现“金翠”意象的关键载体:塔楼立面采用竖隐横明玻璃幕墙系统,以通透的“翠色”玻璃呼应公园绿意,再搭配横向的金属装饰线条,勾勒出“金色”的商务质感。通过“金色商业动线”与“绿色自然体验路径”的立体交织,项目成功构筑了一个公园化的24小时特色街区。

© DBW朗宜
在金融城三期项目的实践中,弗思特团队从幕墙长期使用的实际痛点出发,通过精细化设计与技术创新,研发并应用了多项实用新型专利技术,以可靠的解决方案提升建筑的整体性能与长效美观。
一种装配式防流挂金属板装饰线条幕墙系统
行业常见痛点:
在传统幕墙中,横向装饰线条是立面的“颜值杀手”。

线条挂污——“外部的泪痕”:雨水携带着玻璃表面的灰尘,在线条的斜面堆积,形成一道道难以清理的“流挂泪痕”,如同洁净立面上的污浊泪痕。

胶油性分子扩散——“内在的渗透”:随着密封胶的胶缝老化,劣质密封胶中的油性分子会向外扩散,在立面石材、铝板等型材上形成无法擦拭的永久性污染。
这两种污渍从不同方位观察,对建筑形象与使用体验的影响截然不同。室外可见的只是“泪痕”污迹,而室内体验才是真正的困扰:胶油在玻璃上形成一层永久的、难以清除的朦胧油膜,望向窗外,导致窗外景观永久性模糊不清。

© DBW朗宜

解决方案与专利实现:
为解决上述问题,团队的核心思路是改变水和污物的流径,并实现装饰线条的工业化生产与干法安装,从而从构造上杜绝污染源,并提升安装质量与效率。
本项目横向装饰线条采用工厂整体组框、现场装配式安装,实现与幕墙主体的完全脱离。使玻璃表面的雨水沿着两者之间的缝隙直接下流,同时线条顶部的污水通过前端专门的铝合金滴水下流,避免了污水的流挂线下。此举有效减少了现场工序,提升了安装精度与效率。
该体系取消密封胶使用,消除胶缝挂污与劣质胶漏油风险,显著提升立面长期美观度与维护便利性。

抗滑移梁柱双向滑动连接节点


© DBW朗宜
痛点发现:
针对高层塔楼弧形转角部位,在风荷载作用下幕墙龙骨会产生挠度变形。传统连接节点中的销钉在双向滑动时存在脱出风险,可能影响幕墙系统的局部稳定性和结构安全。

▲ 铝合金型材挂接节点图
解决方案与专利实现:
弗思特团队研发的抗滑移连接件,能有效限制构件在双向滑动中的位移,显著增强龙骨系统整体稳定性,避免了局部脱落风险。
该技术的应用同时优化了龙骨分区设计,在确保结构安全的前提下,实现了更好的成本控制。

一种开放式扣接不锈钢板幕墙系统
痛点发现:
大堂入口处的不锈钢包柱若采用传统固定方式,容易因应力分布不均或基层变形影响面板最终平整度,难以满足高端商业空间对细节质感的极高要求。

▲ 铝合金型材挂接节点图
解决方案与专利实现:
大堂入口不锈钢包柱采用开放式扣接设计,使面板之间能够释放应力,并通过挂接方式适应基层的微小变化,从而保证立面的极致平整。
该系统简化了施工工序,降低了安装难度,有效保证了高端商业空间所需的细节质感与视觉品质。

幕墙系统设计中,弗思特团队始终贯彻“技术赋能美学,创新驱动效能”的核心理念。弗思特团队通过材料、构造与工艺的全方位创新,在实现卓越建筑美学表达的同时,精准统筹安全、功能、舒适与经济等多重目标。
材料选型:通透、安全、宁静
项目涵盖G08、G09及G10三栋塔楼。G08塔楼以“流水有韵”为主题,运用竖明横隐玻璃幕墙系统,塑造出83.75米高、强调竖向线条流畅感的建筑立面。


© DBW朗宜
G09与G10塔楼则呼应“叠翠成峰”的设计意境,结合退台绿化与观景平台,共同构建出112米高、富有层次感的生态建筑形态。



© DBW朗宜
构造创新:品质与成本的最佳平衡
在构造设计上,团队通过系统性创新,在保障卓越品质的同时,实现成本的有效控制。

© DBW朗宜
塔楼玻璃采用外片超白夹层+内片超白钢化中空玻璃,在实现通透视觉效果的同时,系统性地提升了四项关键性能:
透光更优,照明舒适:
全超白玻璃将可见光透射比提升约5%,在遮阳系数不变的前提下,为室内引入更多有益自然光,有效改善办公空间明亮度。
隔音强化,环境静谧:
其玻璃采用夹层中空玻璃的组合,赋予幕墙约40dB的卓越隔声量。相较于常规中空玻璃约34dB的隔声量,隔音性能显著提升约6dB,为室内办公环境提供了更为宁静的保障。
安全可控,运维经济:
普通钢化的约3‰,均质钢化的1‰,超白钢化玻璃万分之一,夹层玻璃自暴率几乎为0,本项目采用外片超白夹层半钢化,自爆率为0。大幅降低高空坠风险;内片玻璃采用超白钢化自暴率降低至万分之一。有效减少因自爆导致的后期更换与维护成本。
平整度佳,立面稳定:
外片夹层半钢化玻璃的应力仅为钢化玻璃的一半,极大减小了玻璃的钢化弓形与波形变化;同时,外片玻璃折实厚度(10.07mm)大于内片玻璃厚度(10mm),在温度压差下变形更小,共同保障了外立面的极致平整与视觉稳定。

▲ 铝合金型材挂接节点图
立面造型与结构体系同样体现精细化设计理念。外装饰线条采用挂接式铝合金型材,外切圆直径严格控制在400mm以内,精准平衡立面效果、遮阳功能与建造成本。


针对叠石铝板造型,团队将原设计加工难度大、成本高的双曲扭曲板优化为平面折线板,在保留立体视觉效果的同时,显著降低加工与建造成本。
在细节工艺上,塔楼采用内置通风器替代传统开启扇,既保障自然通风舒适度,也维护了外立面的整体性与通透感。


吊顶铝板系统摒弃传统打胶工艺,采用开缝插接系统,通过铝合金框张拉固定铝板,实现拼缝可调可控,不仅保证吊顶极致平整,也提升了施工精度与安装效率。
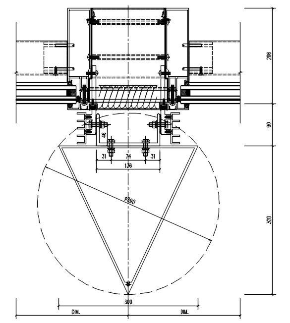
超大跨精制钢点式玻璃幕墙

塔楼底部界面应用超大跨精制钢点式玻璃幕墙,同公园边界向街道开放,使其拥有广泛共享的空间场地,葱郁的植被渗透进项目内部乃至街头巷尾,实现最大化的“融翠”“汇景”。
面对25.9m超大跨度、单索预应力约500kN,且主体结构无法承担幕墙荷载的复杂条件,团队通过创新结构推演,制定出安全可靠的解决方案。

方案核心在于实现结构体系分离:将雨篷体系与拉索幕墙完全脱离,使门套入口形成独立钢架,从根本上保障结构安全。
为实现立柱的轻巧观感,创新采用双跨梁结构模型配合点支式幕墙系统,通过精确的挠度控制减小立柱截面,兼顾结构安全与成本控制。

此外,在细节处理上,项目亦进行周密考量:每隔两个分格设置横向圆管,确保大跨度立柱稳定性。
特色主力店“莲花”双曲立面的精益求精

© DBW朗宜
主力店“莲花”造型独特,整体为复杂双曲结构,为实现极致通透的视觉效果,外立面选用双曲超白玻璃与20mm厚蜂窝苹果砂不锈钢板,对材料与施工提出极高要求。
挑战一:
原设计最大双曲玻璃高度达6.8米,国内具备该尺寸加工能力的供应商极少,导致成本高昂、招标受限。不锈钢板在超大尺寸(最大板达1.2m×8m)下仍需保持表面平整,进一步增加了实施难度。
解决方案:
将玻璃高度优化至6米,在维持整体视觉效果的同时,打破供应限制,实现成本可控与招标公平。

挑战二:
门左侧局部区域玻璃按常规配置(12mm+12mm)结构强度不足,若统一加厚至15mm+15mm,将导致成本显著上升及立面内外不平整。
解决方案:
创新采用“入槽”固定方案,针对性增强承载力,无需整体加厚玻璃,满足结构安全要求,同时精准控制成本。
从图纸到地标,弗思特全程深度参与,将技术实力与创新思维注入从宏观系统到微观节点的每一处细节。项目全面执行国家绿建三星标准并预认证LEED铂金级,高性能幕墙系统与光伏发电、区域能源站等绿色技术协同集成,为建筑全生命周期的低碳运营奠定了坚实基础。
如今,随着“叠翠成峰”的建筑形象完整呈现于交子公园十字绿芯,本项目已超越单纯的总部办公空间,成为一座回应城市、使用者与环境多重期待的可持续典范,标志着成都的金融基因在新时代背景下,向着更绿色、更人文、更智慧的未来不断演进。